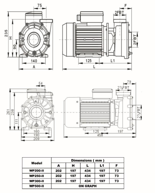
WP
Description & Applications:
WP series spa pool pump is 2 speed pumps for SPA pool that achieve to high-speed for massage and low speed for filter and cycle functions. pump casing is volute design with high-performance and large flow and low-noise. Pump housing could be 90°flexible installations for easy pipe work.
Liquids part is made of high reinforce engineering techno-polymer.
WP Series suitable for hydro massage tube or boosting of spa system and cycle or filter of swimming pool system.


